公制球軸承(C型)
類別:公制球軸承
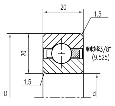
在英制等截面薄壁軸承的基礎上,為了滿足公制場合的需要,我們也可以提供公制尺寸軸承。 厚度尺寸有 8mm 13mm 20mm 三種規格。孔徑從 20mm 到 360mm。 結構有徑向接觸(C型)四點接觸(X型)和 角接觸(A型)非標尺寸也可以定做。 公制球軸承徑向深溝球結構承載大的徑向力。
咨詢熱線:0379-64115152
公制球軸承(C型)
類別:公制球軸承
在英制等截面薄壁軸承的基礎上,為了滿足公制場合的需要,我們也可以提供公制尺寸軸承。 厚度尺寸有 8mm 13mm 20mm 三種規格。孔徑從 20mm 到 360mm。 結構有徑向接觸(C型)四點接觸(X型)和 角接觸(A型)非標尺寸也可以定做。 公制球軸承徑向深溝球結構承載大的徑向力。
咨詢熱線:0379-64115152
在英制等截面薄壁軸承的基礎上,為了滿足公制場合的需要,我們也可以提供公制尺寸軸承。
厚度尺寸有 8mm 13mm 20mm 三種規格。孔徑從 20mm 到 360mm。
結構有徑向接觸(C型)四點接觸(X型)和 角接觸(A型)非標尺寸也可以定做。
公制球軸承徑向深溝球結構承載大的徑向力。
公制球軸承(徑向深溝球類型)
| ||||||
| Item No | Dimension(mm) | Basic Cap(N) | Weight | |||
| d | D | H | Cor | Cr | Kg | |
| NK02508C | 25 | 41 | 8 | 303 | 255 | 0.06 |
| NK05008C | 50 | 66 | 8 | 556 | 350 | 0.08 |
| NK06008C | 60 | 76 | 8 | 656 | 384 | 0.09 |
| NK07008C | 70 | 86 | 8 | 758 | 417 | 0.10 |
| NK08008C | 80 | 96 | 8 | 859 | 448 | 0.11 |
| NK09008C | 90 | 106 | 8 | 959 | 478 | 0.13 |
| NK10008C | 100 | 116 | 8 | 1061 | 507 | 0.14 |
| NK11008C | 110 | 126 | 8 | 1162 | 534 | 0.15 |
| NK12008C | 120 | 136 | 8 | 1262 | 561 | 0.16 |
| NK13008C | 130 | 146 | 8 | 1364 | 588 | 0.18 |
| NK14008C | 140 | 156 | 8 | 1465 | 613 | 0.19 |
| NK15008C | 150 | 166 | 8 | 1565 | 638 | 0.20 |
| NK16008C | 160 | 176 | 8 | 1666 | 662 | 0.20 |
| NK17008C | 170 | 186 | 8 | 1767 | 686 | 0.20 |
| NK18008C | 180 | 196 | 8 | 1868 | 709 | 0.21 |
| NK19008C | 190 | 206 | 8 | 1944 | 725 | 0.21 |
| NK20008C | 200 | 216 | 8 | 2045 | 748 | 0.22 |
| NK25008C | 250 | 266 | 8 | 2550 | 853 | 0.28 |
| NK30008C | 300 | 316 | 8 | 3055 | 949 | 0.35 |
| NK32008C | 320 | 336 | 8 | 3257 | 985 | 0.39 |
| NK34008C | 340 | 356 | 8 | 3459 | 1016 | 0.42 |
| NK36008C | 360 | 376 | 8 | 3636 | 1050 | 0.46 |
![]() | ||||||
| Item No | Dimension(mm) | Radial (N) | Weight | |||
| d | D | H | Cor | Cr | Kg | |
| NK02513C | 25 | 51 | 13 | 517 | 535 | 0.11 |
| NK05013C | 50 | 76 | 13 | 905 | 697 | 0.18 |
| NK06013C | 60 | 86 | 13 | 1099 | 775 | 0.21 |
| NK07013C | 70 | 96 | 13 | 1228 | 819 | 0.24 |
| NK08013C | 80 | 106 | 13 | 1358 | 862 | 0.26 |
| NK09013C | 90 | 116 | 13 | 1551 | 931 | 0.29 |
| NK10013C | 100 | 126 | 13 | 1681 | 971 | 0.32 |
| NK11013C | 110 | 136 | 13 | 1875 | 1035 | 0.35 |
| NK12013C | 120 | 146 | 13 | 2004 | 1073 | 0.38 |
| NK13013C | 130 | 156 | 13 | 2133 | 1110 | 0.41 |
| NK14013C | 140 | 166 | 13 | 2327 | 1169 | 0.44 |
| NK15013C | 150 | 176 | 13 | 2456 | 1204 | 0.46 |
| NK16013C | 160 | 186 | 13 | 2586 | 1239 | 0.49 |
| NK17013C | 170 | 196 | 13 | 2780 | 1294 | 0.52 |
| NK18013C | 180 | 206 | 13 | 2909 | 1327 | 0.55 |
| NK19013C | 190 | 216 | 13 | 3038 | 1360 | 0.58 |
| NK20013C | 200 | 226 | 13 | 3232 | 1411 | 0.61 |
| NK25013C | 250 | 276 | 13 | 4008 | 1598 | 0.75 |
| NK30013C | 300 | 326 | 13 | 4719 | 1754 | 0.89 |
| NK32013C | 320 | 346 | 13 | 5042 | 1823 | 0.95 |
| NK34013C | 340 | 366 | 13 | 5365 | 1889 | 1.01 |
| NK36013C | 360 | 386 | 13 | 5688 | 1954 | 1.06 |
![]() | ||||||
| Item No | Dimension(mm) | Radial (N) | Weight | |||
| d | D | H | Cor | Cr | Kg | |
| NK02520C | 25 | 65 | 20 | 1018 | 1178 | 0.34 |
| NK05020C | 50 | 90 | 20 | 1600 | 1410 | 0.51 |
| NK06020C | 60 | 100 | 20 | 1745 | 1452 | 0.58 |
| NK07020C | 70 | 110 | 20 | 2036 | 1573 | 0.65 |
| NK08020C | 80 | 120 | 20 | 2181 | 1617 | 0.72 |
| NK09020C | 90 | 130 | 20 | 2473 | 1730 | 0.80 |
| NK10020C | 100 | 140 | 20 | 2618 | 1773 | 0.86 |
| NK11020C | 110 | 150 | 20 | 2909 | 1880 | 0.94 |
| NK12020C | 120 | 160 | 20 | 3200 | 1982 | 1.01 |
| NK13020C | 130 | 170 | 20 | 3345 | 2023 | 1.08 |
| NK14020C | 140 | 180 | 20 | 3636 | 2121 | 1.15 |
| NK15020C | 150 | 190 | 20 | 3781 | 2161 | 1.20 |
| NK16020C | 160 | 200 | 20 | 4072 | 2254 | 1.30 |
| NK17020C | 170 | 210 | 20 | 4363 | 2293 | 1.40 |
| NK18020C | 180 | 220 | 20 | 4508 | 2383 | 1.50 |
| NK19020C | 190 | 230 | 20 | 4800 | 2470 | 1.50 |
| NK20020C | 200 | 240 | 20 | 4945 | 2507 | 1.50 |
| NK25020C | 250 | 290 | 20 | 6108 | 2821 | 2.10 |
| NK30020C | 300 | 340 | 20 | 7272 | 3111 | 2.30 |
| NK32020C | 320 | 360 | 20 | 7708 | 3213 | 2.42 |
| NK34020C | 340 | 380 | 20 | 8144 | 3312 | 2.54 |
| NK36020C | 360 | 400 | 20 | 8581 | 3408 | 2.70 |
10余年軸承設計加工經驗
公司具有10余年軸承設計加工經驗,擁有專業軸承研發技術團隊和自動化的加工設備。大大提高的產品的精度,完善了產品的服務。
產品分類覆蓋面廣
等截面薄壁軸承有七個開式和五個密封類型,內孔直徑從1英寸-40英寸均可加工,結構分為深溝球、四點接觸球、角接觸球三種。交叉滾子軸承有RB型、SX型、RE型、RU型、XV型、CRBH型、CRBS型、CRBC型、CRBF型。型號齊全,可供選型。
主要業務行業覆蓋面廣
主要為工業機器人、紡織機械、諧波減速器、工程礦山機械、醫療領域等行業提供高質量軸承。
完善的售后服務體系
本廠集科研開發、生產、銷售于一體,以意識超前,科技前衛和質量過硬深受用戶青睞。

掃一掃
掃一掃